產品
鋁擠設備
精密平台
真空設備
自動化設備
系統應用領域
代理銷售
解決方案
半導體
PCB
Mini LED
晶圓對位
AI資料中心機架
資源中心
下載中心
產品型錄
知識中心
精準度
關於我們
關於阡虹
公司組織
菁英招募
新聞室
客戶案例
請選擇您偏好的語言
中文
英文
日文
韓文
泰文
德語
法語
西班牙文
中文
首頁
產品
鋁擠設備
鋁擠
三系列 - 擠型架構
三系列 - 擠型架構
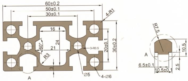
TF3060
三系列-TF3060
型號表示
TF3060
材質
A6N01-T5
長度
6M/支
重量
1.837kg/1M
表面
噴砂、陽極、烤漆、硬化處理
用途
中荷重結構用
表面處理
陽極本色(銀白色)、陽極黑色
斷面圖
上一則
回上頁
下一則
鋁擠
三系列 - 擠型架構
四系列 - 鋁擠架構
配件
三系列 - 架構配件
四系列 - 架構配件
客戶案例
知識中心分類A
知識中心分類B
分類1
分類2
精準度
真空腔體運用
真空Robot
真空加熱器
中空平台模組
花崗岩中空XY平台
雷射劃線機
機架散熱模組
客製化設備
EFEM